155-0218-0621

欢迎访问上海珺芯工业自动化有限公司官网

关于我们

上海珺芯工业自动化有限公司是一家专注于为高端工业自动化设备提供核心零部件解决方案的技术驱动型企业

核心优势

致力于研发、供应与定制高性能、高可靠性的核心部件,成为客户在实现自动化升级与创新过程中的坚实伙伴

公司新闻

为您提供行业新闻信息,带您了解更多工业自动化设备提供核心零部件行业动态!

解决方案

我们不仅提供标准产品,更擅长解决非标难题。针对高温、低温、易燃易爆、潮湿、辐射等极端或特殊工况
详细说明

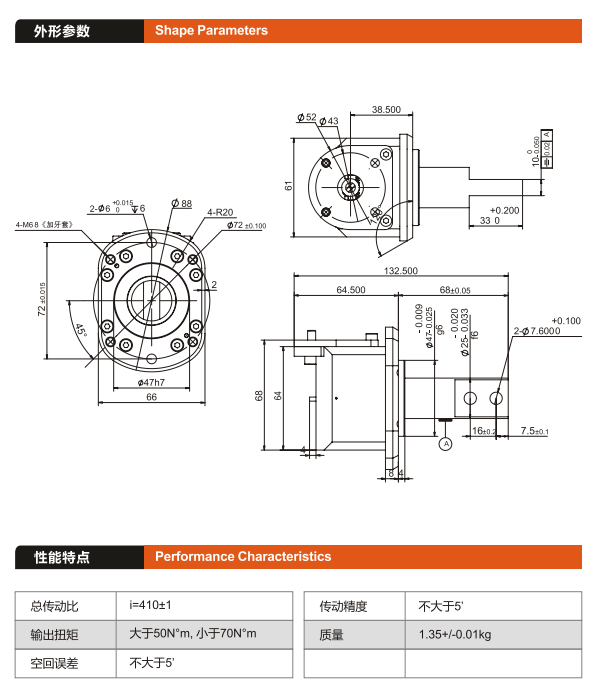
ST410-

收藏
  • 商品说明

image.png

×
seo seo